

咨詢熱線:0577-86994998
不銹鋼底閥安裝在泵進口端,保證泵進口端充滿液體的一種止回閥,因為主要是應用在水泵上,所以也稱為水泵底閥。
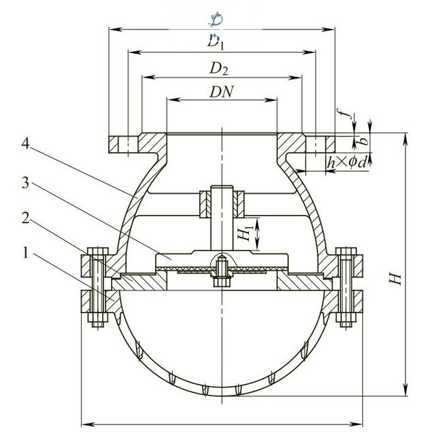
不銹鋼底閥屬于升降式止回閥,安裝在離心泵吸入管的底端,故稱之為“水泵底閥”,其結構原理如下圖1所示。
圖1 不銹鋼底閥(水泵底閥)結構
1—下閥體;2—閥座;3—閥瓣;4—上閥體
泵啟動前,閥瓣因自重而關閉,可將水注滿不銹鋼底閥上部的吸入管。泵啟動后,吸入管內的吸力將不銹鋼底閥閥瓣提升,使水流不斷進入泵。停泵后吸力消失,不銹鋼底閥又自行關閉。
不銹鋼底閥是一種特殊類型的升降式止回閥,安裝在泵管道的吸入端。大多數水泵要求在啟動之前注水,以排放泵殼內和吸入端管道內的空氣,此時需要有一臺止回閥,以防止注入的液體流失。
泵殼和吸入管道可以采用手動傾倒液體以充滿泵,或者采用向泵殼里施加真空的方法誘導液體進入管道和泵殼。在這兩種情況下,不銹鋼底閥可以防止充入的液體直接流出或排空泵殼的空氣。切記,不銹鋼底閥的吸力系統是一個緩阻,導致泵的吸入壓力損失,管道的設計和選擇閥門時這種緩阻必須加以考慮。
電話0577-86994998
郵箱13625777838@168.com
地址中國 浙江 溫州市龍灣區 中天柱路42號
網址www.xyjxzs.cn
